Start of main content

Do SPDs require an overcurrent protective device?

Some manufacturers require an external overcurrent protective device (OCPD) for a surge protective device (SPD), whereas others don’t and this has caused much confusion, debate and conflicting views. Some SPD manufacturers advise that the distribution network operator’s (DNO) fuse cannot be used for short-circuit protection. This article looks at the facts and the requirements of BS 7671.

This is not a new concept. For example, short-circuit protection of a switch and residual current circuit-breaker (RCCB) installed within a BS EN IEC 61439-3 consumer unit, is achieved by co-ordination in the specific test arrangements using the upstream distributor’s cut-out fuse to achieve a 16 kA conditional short-circuit rating.

Why is an OCPD required for some SPDs?

The standards for SPDs are the BS EN IEC 61643 series. SPDs connected to AC low-voltage power systems are provided in BS EN IEC 61643-11. 

Clause 8.3.6.4 of BS EN IEC 61643-1:2025 states that an SPD shall reach its end of life without causing hazardous conditions.

Depending on the construction and components used for the SPD, the end-of-life behaviour varies. Open-circuit mode (OCM) is an end-of-life behaviour whereby an SPD changes to a permanent high impedance or open-circuit state under specified conditions. Where this condition cannot be met, it is classed as short-circuit mode (SCM). 

Clause 4.13 of BS EN IEC 61643-11:2025 requires the end-of-life mode for the SPD to fail in OCM. Where an SPD end-of-life mode is short-circuit and used with an OCPD, it fulfils the conditions to be classified as open-circuit mode. 

What type of OCPD is required?

Some SPDs have an internal OCPD, typically the larger rated current versions. In accordance with Clause 8.3.6.1.1 of BS EN 61643-1: 2025+A11:2025, where the OCPD is external to the SPD, it shall conform to a relevant IEC standard for overcurrent protection or equivalent national standards. For example, the IEC 60269 series (which supersedes the BS 1361 and BS 88-3 series) or the 60127 series for fuses, and IEC 60947-2, the IEC 60898 series or IEC 61009 for circuit-breakers. It is important to refer to the manufacturer’s instructions for the correct OCPD type.

What are the requirements in BS 7671 for protection of an SPD against overcurrent?

Regulation 534.4.5.1 of BS 7671:2018+A4:2026 states that SPDs shall be protected against overcurrent with respect to short-circuit. This protection may be internal or external to the SPD. Importantly, the protection shall be in accordance with the manufacturer’s instructions. Regulation 134.1.1 of BS 7671:2018+A4:2026 states that the installation of electrical equipment shall take account of manufacturer’s instructions. 

534.4.5 Protection of the SPD against overcurrent

534.4.5.1 General

SPD installations shall be protected against overcurrent with respect to short-circuit currents.

This protection may be internal and/or external to the SPD according to the manufacturer's instructions.

The ratings and characteristics of external OCPDs for protecting the SPD assembly shall be selected in accordance with Section 434 and be the highest permissible rating to provide a high surge current capability for the complete assembly whilst not exceeding the ratings and characteristics as required in the SPD manufacturer's installation instructions for the maximum overcurrent protection.”

An important consideration when installing an external OCPD is covered by Regulation 534.4.5.1 of BS 7671:2018+A4:2026. It states that:

534.4.5.2 Arrangement of SPDs with relation to overcurrent protection

In case of OCPD operation arising from SPD failure, the continuity of the supply to the equipment is unaffected. However, neither the installation nor the equipment is protected against possible further overvoltages (see Figure 534.6). In such an arrangement, the effective voltage protection level within the installation is increased due to the additional voltage drop at the external OCPD connected in series with the SPD.”

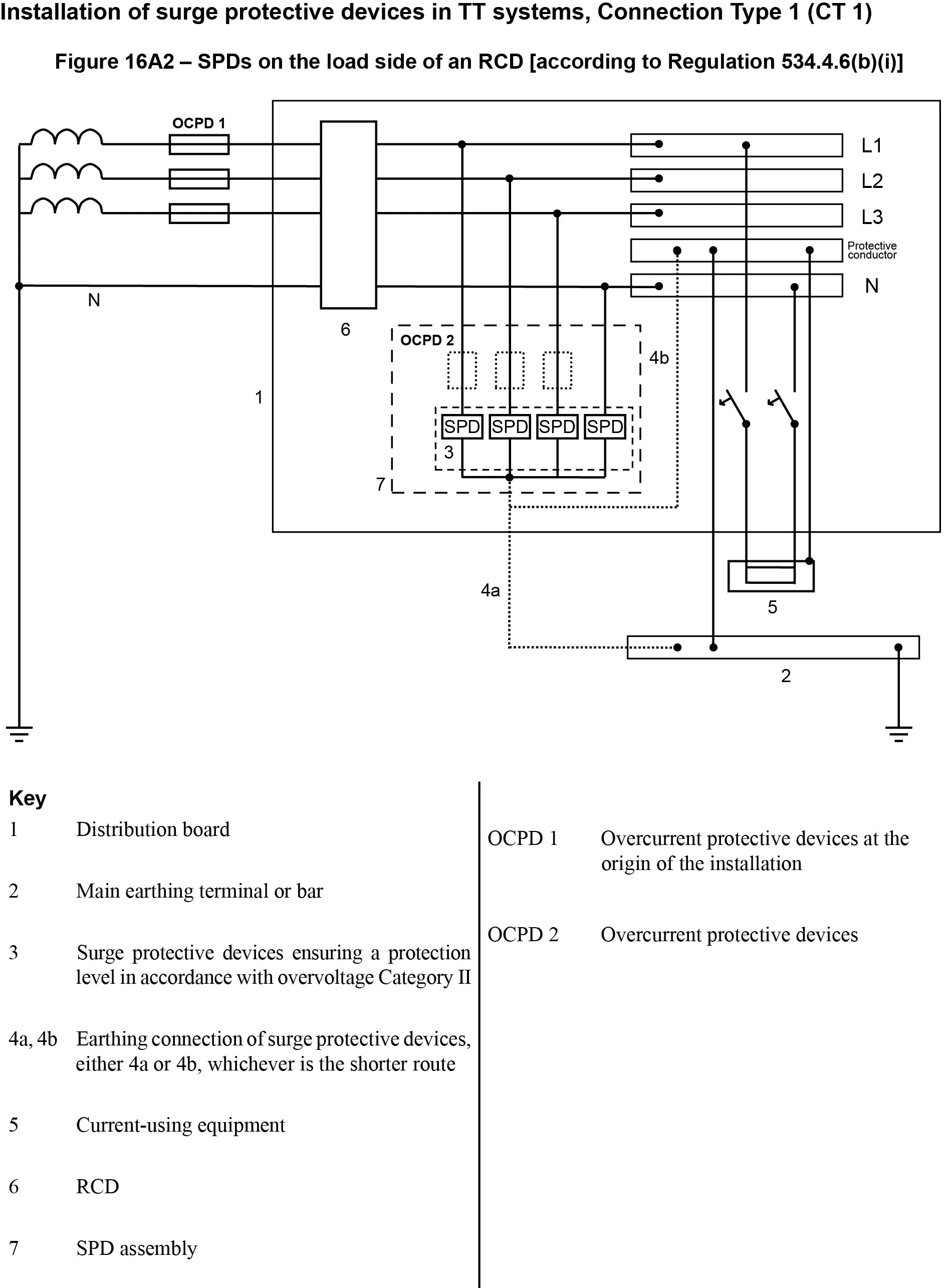
Appendix 16 of BS 7671:2018+A4:2026 provides information for devices for protection against overvoltage. Figure 16A2 shows OCPD 1 for protection of the SPD upstream of the RCD for a TT system. This could be the DNO fuse for a public supply network. OCPD 2 is shown as a dotted line to indicate this may not be required. 

 


Figure 1: Extract from Appendix 16 of BS 7671:2018+A4:2026

 

Why is it that some manufacturers’ SPDs require an external OCPD?

The design of SPDs differ between manufacturer and test class I and test class II. Therefore, it depends on the construction of the SPD and failure mode as to whether an external OCPD is required. 

Another protective measure within an SPD is the thermal protection function. This is often a soldered joint which melts when the thermal limit is reached. This can be confused with an OCPD. The purpose of thermal protection is to protect against overheating due to degradation or overstress and shall reach its end of life without causing a hazardous condition.

Can the DNO OCPD be used to protect an SPD?

BEAMA and the energy network association (ENA) have recently released a joint statement on the “Use of the Distribution Network Operator (DNO) fuse for short-circuit protection of the surge protective device (SPD)”.
 
The guidance states that OCPD 2 shown in Figure 534.5 may be omitted and the DNO cut-out fuse (OCPD 1) can be used for short-circuit protection of the SPD where all of the following apply:

  • The SPD is in a household or similar installation. 
  • The SPD is installed either inside a single-phase consumer unit (CU) conforming to BS EN (IEC) 61439-3, or inside an enclosure together with a switch-disconnector supplied as a composite unit conforming to BS EN (IEC) 60947-3. Both these products shall have a rated conditional short-circuit current of 16 kA. This conditional rating is qualified using a 100 A BS 88-3 (formerly BS 1361) fuse which also covers 60 A and 80 A fuse ratings. BS 1361 type II and BS 88-3 fuse-link key performance characteristics are identical, therefore, either is acceptable. 
  • The SPD conforms to BS EN 61643-11. 
  • The SPD manufacturer’s instructions state that OCPD 2 can be omitted and specify the required OCPD 1 characteristics. 
  • The SPD does not require withdrawal of the DNO cut-out fuse for its replacement or maintenance. 

This position is in line with the safety aspects of the DNO cut-out fuse not providing functional protection. However, it can be relied upon in extreme conditions to perform a short duration fault clearing role.

It is important to remember that the DNO fuse remains to be owned and maintained by the DNO. It cannot be replaced by an electrician. 

Summary

SPDs must be installed in accordance with the manufacturer’s instructions. Where the manufacturer requires an external OCPD, this must be installed taking account of the manufacturer’s instructions. 

Where an external OCPD is not required by the manufacturer, it is sometimes because the SPD has an internal OCPD. 

The DNO fuse can be used for short-circuit protection, providing the conditions in the BEAMA/ENA statement are met.

The designer may choose to install a protective device, such as a circuit-breaker, for ease of inspection, testing and maintenance, but that is their choice in consultation with the manufacturer. It could be argued that the device could be inadvertently switched off.

It should be noted that when an OCPD (e.g. a circuit-breaker) is installed within a consumer unit for SPD protection, it typically has a 6 kA breaking capacity, i.e. below 16 kA. For a single-phase domestic supply, the maximum prospective short-circuit current (PSCC) may reach up to 16 kA where the service cable is at least 2 metres long (see Regulation 536.4.201 of BS 7671).

Accordingly, any consumer unit with an integral SPD OCPD, for example, a circuit-breaker with a rated breaking capacity below 16 kA, must be co-ordinated with the upstream distributor’s cut-out fuse, under the specified test conditions in BS EN IEC 61439-3, to achieve a 16 kA conditional short-circuit rating.

Acknowledgments

BEAMA
Calum Mansell
Craig O’Neill
Jon Elliott
Steve Humphries (NAPIT)

Further reading

Use of the Distribution Network Operator (DNO) fuse for short-circuit protection of the surge protective device (SPD)